Описание эхолота и функционала
Очень важно обратить внимание на то, что эхолот имеет только один луч. Но есть небольшой нюанс — его угол составляет 40 градусов. А в дополнении с повышенной чувствительностью и мощностью устройства, второй луч и не надо
А в дополнении с повышенной чувствительностью и мощностью устройства, второй луч и не надо
Поскольку усиление процессора позволяет не только увидеть качественное изображение, но и достичь повышения реакции передачи информации от датчика
А в дополнении с повышенной чувствительностью и мощностью устройства, второй луч и не надо. Поскольку усиление процессора позволяет не только увидеть качественное изображение, но и достичь повышения реакции передачи информации от датчика.
Зона эхолокации для такой модели составляет от 1 до 25 метров.
Цена эхолота на официальном сайте: 5100 руб.
Отличительная черта корпуса и датчика
Небольшая масса в 170 гр и компактность устройства делает его весьма удобным и портативным для применения. Вы сможете его легко положить в рюкзак и смело отправляться на рыбалку по суше. Места он много не отнимет и тяжести почти не прибавит.
Наличие влагозащищенного и ударопрочного корпуса IP67 и IP68 позволяет применять прибор практически при любых погодных условиях.
Пересмотр потребления заряда позволяет эхолот питать как от одной пальчиковой батарейки, так и от аккумулятора до двухсот часов. Последний вариант удивительно подойдет для дальних путешествий в глушь. Ведь не всегда есть возможность приобрести новые батарейки. Более того, не всегда хочется заниматься постоянной заменой батареек.
Принцип работы
Эхолот работает по общему принципу для группы пеленгаторов:
- Посланный процессором электронного блока радиосигнал преобразуется в радиоволну через трансдьюсер.
- Передатчик посылает радиолуч в воду для пеленга.
- При встрече с объектами и/или дном сигнал отражается и принимается трансдьюсером.
- Отраженный сигнал обрабатывается процессором,
- На дисплей выводится графическое изображение дна со всеми нюансами рельефа и других объектов/рыб, попавших в зону действия луча.
Модель Практик Р6-Про посылает 1 луч под углом 40° на глубину до 25м. Частота сканирования – 1-4 импульса в секунду. Картинка моментально адаптируется под новые вводные.

Вы включили эхолот
Принцип работы и функциональность
Принцип работы

Практик Эр 6 Про 2 имеет в наличии датчик. Именно он посылает в виде волн импульсы на глубину. Они, отражаясь от дна и предметов, включая рыбу, выводят информацию на экран. Это может быть и картинка, и текст. Угол обзора излучаемых волн составляет 40 градусов. Такого показателя хватает для сканирования большого объема.
Размер дисплея достаточен для подробного рассмотрения интересующего предмета. Степень прозрачности воды и загрязненности мусором, а также количество водорослей не повлияет на точность картинки.
Функциональность
Модель начали выпускать не так давно. По отзывам можно понять, что прибор многофункционален и эффективен.
Устройство разрабатывалось для того, чтобы использовать его в широком диапазоне температур, учитывая суровый климат. Работоспособность этого Эхолота не пострадает ни при каких погодных условиях.
Отметим! Мощный процессор позволяет хорошо работать начинке. Информация, полученная благодаря отраженным волнам, обрабатывается мгновенно. Водонепроницаемый корпус дает гарантию работы и в дождь, и после случайного падения в воду. Влага внутрь изделия не попадет.
Аксессуары
Хорошим помощником при использовании эхолота «Практик» является специальная эхолодка для датчика. Она предназначена для проводных сканирующих аппаратов. Лодка упрощает буксировку датчиков, в том числе не имеющих жестких транцев. В результате сбор данных в режиме реального времени существенно упрощается. Уплотняющее кольцо из силикона может создавать помехи при монтаже датчиков в эхолокационную лодку; решением проблемы оказывается ослабление соединения между батарейным отсеком и датчиком.
Хорошим держателем можно пользоваться и на надувных, и на деревянных лодках. Крепить его можно на сиденье. Благодаря регулировке угла наклона получается оптимизировать размещение экрана, чтобы лучше просматривать картинку. Еще можно приобрести специальный защитный бампер для эхолокационного датчика. Такая конструкция изготавливается из силикона и надежно оберегает от падения с высоты; она отличается повышенной долговечностью. Из силикона может быть сделан также футляр (чехол) для эхолота. Точнее, он изготавливается для блоков «Практик». Внешний корпус облегается плотно.
Для самих эхолотов предназначен чехол «Унибокс». Это многофункциональное устройство, подходящее для хранения и перевозки. Также можно применять его в процессе самой рыбалки. Для изготовления конструкции применяют крепкий и стабильный материал. Можно зафиксировать чехол даже на шее, что полезно при ловле хищных рыб
Полезно обратить внимание и на фиксатор «Практик». Он позволяет закрепить смартфон либо специальный блок на удилище. Информация выводится на смартфон либо блок
Руки при этом остаются свободны. Исполнение держателей позволяет обеспечить плотное удержание
Информация выводится на смартфон либо блок. Руки при этом остаются свободны. Исполнение держателей позволяет обеспечить плотное удержание.
Основные технические свойства:
- пригодность для удочек сечением от 1,8 до 3 см;
- регулировка углов поворота на 360 градусов;
- открытие боковых зажимов на 5 — 9,4 см.
Практик 7
Данный эхолот предназначен для рыбалки с берега и создан по типу известного эхолота Deeper. Датчик имеет возможность связи с эхолотом как при помощи провода, так и по беспроводной связи. Это позволяет применять данный эхолот при изучении дна фидером. Данный способ гораздо быстрее и точнее, чем изучение при помощи маркерного грузика, особенно на неровном дне, где есть коряги, на которых маркерный грузик будет рваться.
С обычным проводным датчиком мы получим прекрасный эхолот для изучения дна водоёма, ловли с лодки, зимней ловли и многих других вещей. Стоимость данного эхолота дешевле того же Deeper Pro и составит примерно $150. Имеется несколько модификаций данного эхолота, далее будет рассмотрена модель Практик 7 с сумкой «Маяк».
Эхолот имеет возможность работы в двух режимах — от классического датчика с классическим экраном и от беспроводного датчика с использованием смартфона в качестве экрана и хранилища информации. В первом режиме работа с ним будет не сильно отличаться от описанного выше Практик 6, разве что будет более качественное отображение. Экран в комплекте, кстати, ничем не отличается от Практик 6 — те же 30х50 мм и те же 64х128 пикселей.
Проводной режим работы отличается датчиком. Датчик Практик 7 другой, он более чувствительный, имеет меньше угол охвата в 35 градусов. Работает с теми же характеристиками опроса датчика, имеет те же режимы и настройки. Различия начинаются, когда планируется использовать беспроводной датчик.
Эхолот может работать с беспроводным датчиком, экраном при этом будет смартфон владельца, на котором установлено бесплатное приложение от производителя. Встроенный GPS модуль позволяет не только отображать рельеф дна и рыбу на экране смартфона, но и записать это автоматически в виде карты. Таким образом, проехав по водоёму на лодке несколько раз, можно получить полную карту дна, глубин.
Беспроводной модуль представляет собой поплавок, внутри которого находится электронное устройство. Он может закрепляться на штанге и быть опущен в воду, как классический датчик эхолота. А можно использовать его для ловли с датчиком, закреплённым на леске удилища. Обычно это фидерное или джиговое удилище, но возможно использование и с другими снастями.
Данный эхолот позволяет определить рыбу и исследовать дно непосредственно в зоне ловли. Весит он сравнительно немного, все аксессуары помещаются в сумку «Маяк», которая идёт в комплекте с данной моделью.
Технические характеристики эхолота
| Вес «Маяка» | 95 г |
| Диаметр «Маяка» | 67 мм |
| Габариты блока «Практик 7 RF» | 100х72х23 мм |
| Дисплей блока «Практик 7 RF» | 128х64 пикс. (5х3 см) монохромный, высококонтрастный, морозостойкий |
| Температура эксплуатации | от -20 до +40 0 С |
| Диапазон глубин | от 0,5 до 25 м |
| Дальность соединения | до 100 м |
| Луч эхолота | 35 0 |
| Отображение символов рыбы | есть |
| Определение размеров рыбы | есть |
| Регулировка чувствительности | плавная, 28 градаций |
| ZOOM придонного слоя | есть |
| Отображение рельефа, структуры дна и указатель плотности грунта | есть |
| Регулировка «глухой» зоны | есть |
| 7 режимов отображения информации | FISH ID, Pro, Флешер, Мелководье, Глубиномер, Демо, Инфо |
| Диаметр пятна эхолота на дне | есть |
| Диагностика эхолота на воздухе | есть |
| Время работы «Маяка» от одной зарядки | до 25 ч |
| Время работы блока «Практик 7 RF» от одной зарядки | до 40 ч |
| Bluetooth-соединение «Маяка» со смартфоном | есть |
Это очень удобно, ведь можно легко забыть какой-то компонент на берегу при укладке вещей, и это приведёт к тому, что непригодным окажется весь эхолот.
Датчик осуществляет связь с мобильным устройством владельца при помощи технологии bluetooth 4.0, а не WiFi. Связь осуществляется на расстоянии до 80 метров, этого вполне достаточно для большинства видов ловли. Правда, при слабой антенне и наличии помех эта дистанция часто сокращается до 30-50, но и такое расстояние обычно перекрывает потребности рыбака на водоёмах средней полосы России.
В целом Практик 7 будет отличным выбором для тех, кто хочет ловить фидером и джигом. Без разницы где и как, с лодки или с берега, он будет полезен. Сумка, входящая в комплект, будет очень полезна, почему-то этот момент часто опускают начинающие рыболовы, не столкнувшиеся ни разу с потерей вещей на рыбалке. Стоимость его будет ниже прочих аналогов. Для работы с беспроводным датчиком потребуется хороший смартфон. Он должен иметь хорошую антенну bluetooth, чтобы поддерживать связь, а также водозащиту и хороший яркий экран, заметный на солнце. Можно работать с системами Android и iOs.
Настройка звука
Пусть по настройке устройства “ЭР-6 Pro (эхолот) Практик” отзывы и положительные, однако новичок непременно столкнётся с недостатками в управлении, которые можно ликвидировать лишь с помощью специальных опытов. Речь идёт о звуковом оповещении. Если не производить тонкую настройку датчика, эхолот будет сигнализировать о любой помехе, которая может присутствовать в воде (коряга, пластиковая бутылка).
Рыбаки рекомендуют использовать блесну небольших размеров, которую необходимо закрепить леской и опустить на дно водоёма. После чего включается эхолот, и блесна аккуратно поднимается со дна. При появлении звукового оповещения необходимо прекратить подъем, зафиксировав блесну на одной глубине. Настроить чувствительность датчика, чтобы он не реагировал на не движущийся элемент. Продолжить подъём и убедиться, что сигнализатор срабатывает лишь на движение.
Проблемы и их решение
У рассматриваемого нами устройства “Практик ЭР-6 Pro” поломки больше имеют бытовой характер. Соответственно, ремонт эхолотов профессиональные рыболовы рекомендуют производить собственными руками, не тратя время на поездки в сервисные центры. Так, постоянное отключение устройства в процессе долгой эксплуатации в большинстве случаев связано с батарейным отсеком. Пружины, прижимающие аккумулятор, имеют низкую жёсткость, соответственно, что часто приводит к разъединению контакта в процессе работы. Кстати, эта пружина имеет свойство еще и окисляться, поэтому владельцу рекомендуют один раз в полугодие чистить контакты.
Сам датчик имеет пластиковый контейнер, поэтому не рекомендуется его отогревать горелкой в зимнее время ото льда. Корпус датчика хоть и имеет защиту, однако всё-таки поддаётся деформации в процессе неправильной эксплуатации. Любое повреждение пропускает воду внутрь и быстро выводит электронику из строя. Решается такая проблема только покупкой нового сонара.
Основные технические характеристики прибора
Рыболовы, часами пребывающие на воде в лодке, в первую очередь оценили автономность данного электронного устройства. Элементом питания для него служит всего одна пальчиковая батарейка напряжением 1,5 В, при необходимости вместо нее можно поставить 1,2-вольтовый аккумулятор подходящего размера. Продолжительность работы эхолота без подзарядки зависит от условий, в которых он используется. В теплое время года этот показатель составляет 200 часов, а на морозе – до 120.
Диапазон сканируемых глубин – 1-25 метров, обзор однолучевого сонара равен 40 градусам. Кроме глубины прибор показывает рельеф донной поверхности и лежащие на ней предметы: камни, затопленные металлоконструкции, ветки деревьев и прочее. Также он умеет определять размеры подводных обитателей, попавших в сканируемую зону, и горизонт, на котором они находятся. Для любительской рыбалки этого более чем достаточно.

Характеристика и комплектация
Не рекомендуется покупать зимний эхолот «Практик 6 Про» в использованном состоянии, поскольку неизвестно, как с ним обращался владелец. Если купить прибор в уважающем себя рыболовном магазине, то в комплекте с «Практиком» будет предоставлено следующее:
- штатив для установки датчика,
- батарея типа «АА»,
- ультразвуковой датчик,
- головной блок с монитором,
- полиуретановый провод,
- упаковочная коробка,
- инструкция пользователя.
Перед покупкой необходимо изучить основные технические характеристики, которые должны совпадать с предлагаемым товаром. Стандартные параметры и функции оборудования:
- предел сканирования от 50 см до 25 м,
- устройство имеет один луч,
- изображение состоит из двух оттенков серого цвета,
- монохромный дисплей,
- параметры блока: 7,2*10*2,2 см,
- диагональ монитора 2,3 дюйма,
- диапазон критической температуры для устройства составляет от -200 до +500,
- батарея «АА» на (1,5 В) в количестве одной единицы,
- разрешение экрана составляет 64*128,
- вес не превышает 170 грамм.
При обнаружении рыбы включается сигнализация.
Эхолот – кому и зачем?
Эхолот – специализированный гидролокатор, разведывательное оборудование сканирования дна водоема, специфики рельефа, определения присутствия посторонних предметов и живых существ. Работа устройства основана на принципе эхолокации – наличие и форма объектов под водой выясняются при помощи звукового или радиосигнала, поданного передатчиком эхолота. Преобразованный сигнал по достижении бревна или другого предмета отражается от них, а приемник прибора «ловит» возвращенную волну, преобразует обратно в радиосигнал и выводит на дисплей сканирующего устройства полученное изображение.

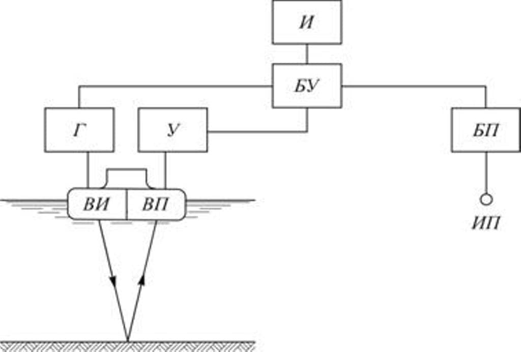
Схема работы эхолота
И – индикатор (дисплей)
Г – генератор сигнала
У – усилитель сигнала
БУ – блок управления
ВИ – вибратор (датчик) излучатель
ВП – вибратор-приемник
БП – блок питания
ИП – источник питания
Первоначально мощные гидролокаторы использовали в качестве пеленгатора военные моряки и лоцманы гражданских судов. Испытания показали, что рыба – такой же предмет, только непрерывно перемещающийся.
Прибор быстро получил признание и стал популярен среди:
- рыбаков.
- Дайверов.
- Яхтсменов.
- «Белых» и «черных» копателей.
Проблемы на зимней рыбалке
В холодный период ЭР-6 Pro может преподнести неприятный сюрприз – взять и не включиться. О бесперебойной работе при -20°С речь вообще не идет. На морозе жидкокристаллический дисплей самопроизвольно отключается, а источник питание вдвое быстрее теряет свой ресурс. Именно поэтому производитель прописал в инструкции четкие рекомендации по использованию эхолота зимой. При слишком низких температурах держать его лучше во внутреннем кармане куртки или в перчатке и ориентироваться по звуковым сигналам. Зато сонар и соединительный провод холода не боятся, допустимо даже обледенение этих элементов прибора.
Эхолот Практик ЭР-6
Прежде всего, хочу сказать, что Эхолот Практик ЭР-6 будет полезен, в первую очередь, любителям дальних походов и зимней рыбалки. Этот, весьма, компактный и легкий по весу эхолот был разработан специалистами ООО «Практик-НЦ» из Зеленограда.
Следует отметить, что эхолот модели Практик ЭР-6 имеет еще и свою профессиональную версию — Практик ЭР-6 Pro. Яркой особенностью моделей эхолотов этого семейства является их четкая ориентированность для нормального функционирования в сильный мороз и в походных летних условиях. Экономичность работы данных приборов заключается в их способности стабильно работать в течение 150-200 часов от одной пальчиковой батарейки типа AA. Кроме того, эхолоты семейства Практик ЭР-6 снабжены высокоскоростным морозоустойчивым графическим дисплеем, имеющим разрешение 128х64 пкс. Этот дисплей отображает отличную картинку даже при ярком солнечном свете.
Помимо всего прочего, данный эхолот, весьма, прост в настройке, ведь для его управления и настройки используются всего две кнопки.
Так же, Практик ЭР-6 оборудован оригинальным датчиком-излучателем, совмещенным с батарейным отсеком. Именно эта особенность конструкции обеспечивает длительную эксплуатацию прибора при минусовой температуре. А в случае использования литиевой батарейки эхолот сохраняет свою работоспособность в течение 200 часов.
Хочу обратить ваше внимание на то, что эхолот ЭР-6 оснащен настоящим «суперкабелем». Яркой особенностью этого кабеля является способность оставаться эластичным и гибким даже при температуре –60 градусов. Следует отметить абсолютную герметичность корпусов всех эхолотов семейства Практик ЭР-6, что по достоинству оценят рыбаки
Следует отметить абсолютную герметичность корпусов всех эхолотов семейства Практик ЭР-6, что по достоинству оценят рыбаки.
Теперь о полезных функциях. Их широкое разнообразие дает возможность настроить эхолот Практик ЭР-6 под, практически, любые задачи как любителям, так и профессионалам рыбной SONY DSC ловли. В упрощенном виде на дисплее монитора отображаются донный рельеф и его структура. При этом, твердое дно будет отображаться на дисплее как широкая линия, а илистое как узкая. При попадании какого-либо предмета в сектор зондирования, удовлетворяющего установленным критериям, эхолот выводит его символ на определенной глубине на дисплей монитора, с подачей звукового сигнала
Хочу обратить ваше внимание на то, что тип звукового сигнала можно настроить в эхолоте под три разных размера рыбы
Вообще, эхолот Практик ЭР-6 Pro имеет много дополнительных полезных функций, в отличие от базовой модели. В частности, в нем реализована функция плавного усиления сигнала, выполняемая прямо с экрана дисплея. Кроме того, в данном эхолоте возможна активация функции автокалибровки, для повышения устойчивости прибора в особо сильный мороз или в летнюю жару.
Думаю, что для многих будет, весьма, полезна функция ZOOM, имеющаяся в эхолоте Практик ЭР-6 Pro. Особенность ее заключается в разделении экрана монитора эхолота на две половины. В левой будет отображаться общая информация по зондированию всего подводного сегмента от поверхности до дна, а правая половина выведет «сырую» информацию только по придонному слою водоема, что будет, весьма, полезно для сравнительного анализа.
Видео: настройка эхолота
Если говорить о встроенных режимах, то эхолот Практик ЭР-6 Pro имеет функцию ФЛЕШЕР. Активация этой функции переводит эхолот в режим быстрого зондирования. То есть, на экране дисплея вы будете наблюдать игру вашей снасти или реакцию рыбы на нее в реальном времени, а плавная настройка чувствительности даже даст возможность отслеживать поведение мормышки на значительной глубине.
Интересен тот факт, что семейство эхолотов Практик ЭР-6 не распугивает рыбу под водой своими акустическими сигналами. В отличие от зарубежных аналогов, эхолоты данного семейства изначально разрабатывались для работы на малых глубинах, до 25 метров, поэтому не имеют мощных акустических сигналов.
Эхолот модели Практик ЭР-6 способен хорошо функционировать как зимой, так и летом. Для крепления к лодке в комплекте эхолота есть специальная скоба и нет необходимости обязательно опускать датчик за борт. Вам достаточно налить на днище лодки немного воды и плотно установить в этом месте датчик. Если днище лодки не многослойное, то сигнал датчика, практически, пройдет через него без потерь.
Режимы
Эхолот «Практик ЭР6 Про» поддерживает 5 режимов:
- Fish ID.
- Pro.
- Flasher.
- Глубиномер.
- Демо-режим.

Настройка
Fish ID
Режим поиска рыбы и определения ее размера. Запускается по умолчанию при включении эхолота в первый раз (или после перезагрузки). Особенность режима – экран разделен вертикальной полосой на две части:
- Левая – широкая. В ней отображена обработанная информация, полученная в ходе работы прибора. В левом нижнем углу – уровень заряда батареи. Над ним полоса, показывающая уровень чувствительности эхолота в данный момент. Дублируется цифровым значением. Основную часть экрана занимают линия дна в соответствии с рельефом, и рыба, попавшая в поле деятельности луча радиосигнала, с учетом выставленных фильтров (ФПО). Рыба появится на экране, только если параметры перемещения объекта совпадают с идентификационными критериями в памяти процессора. В левом верхнем углу – глубина, на которой ведется «съемка». Если цифра подчеркнута – эхолот откалиброван (см. раздел «дополнительные функции и настройки). Если рядом знак «*» — настроен режим «зима».
- Правая (узкая) – «сырая» информация в режиме RTS (real time signal). Эти данные – актуальные и более полные, хотя и не обработаны (не детализированы). Когда решение надо принимать быстро, умеющий «читать» показания дисплея профессионал может использовать RTS-сведения. В правом верхнем углу – выставленная глубина (3 метра по умолчанию).
PRO
Предназначен для экспертов работы с устройством. В режиме Pro весь дисплей эхолота Практик Р6Про занимают именно «сырые» данные. На экране видна линия дна и, в виде точек и полосок, все объекты попавшие под луч. Следует увеличить чувствительность, чтобы стали видны очертания рыб. Работать с PRO неPROсто, но два неоспоримых достоинства перечеркивают недостатки:
- опытным глазом можно отличить рыбу от водорослей и других предметов и понять принципы поведения рыбных стай.
- В этом режиме может возникнуть эффект «второго» и даже «третьего» дна, если луч отразится несколько раз, а вы выставите показатель глубины, который превышает расстояние до дна в два раза и более. Тогда изображение нижнего дна даст возможность точнее определить рельеф водоема.
Flasher
Режим эффективен только для зимней рыбалки. Экран делится на две равные части:
- Левая половина – поле истории
- Правая – объектная. 4 раза в секунду – максимальная периодичность обновления информации – выводится картинка самого крупного объекта из замеченных и его глубина.
Используя Flasher, удобно следить за поплавком или грузилом, а также реакциями рыбы на поведение приманки. По умолчанию «глухая зона» выставлена на 1,5 м от поверхности, но вы можете изменить его, на свое усмотрение. В комбинации с корректной настройкой «Zoom», увеличивающей картинку на заданной глубине, применение режима «Flasher» эхолота Практик 6Р-Про дает хорошие результаты, особенно зимой.
Глубиномер
Используется, если возникла необходимость определения точного показателя глубины. В этом режиме на экран выведена глубина, крупными цифрами; температура внутри эхолота и показатель заряда аккумулятора. Данные корректны в случае полной неподвижности датчика.
Демонстрационный режим
Необходим для проверки качества работы Практик 6ЭР-Про. Сделайте проверочные испытания дома, в качестве дна используйте пол. Выставьте на дисплее максимальную чувствительность. Удерживая датчик за кабель, поднимите на высоту 50 сантиметров и регистрируйте изменение показаний при поднятии/опускании трансдьюсера. Перед «снятием» цифр добейтесь полной неподвижности передатчика.
Регулировка чувствительности
Зажатая правая кнопка дисплея обусловливает появление полоски на экране, которая может произвольно менять значение от 1 до 60. Если надо срочно увеличить убывающий показатель, не отпуская правой кнопки, кликните по левой. Данные начнут расти.
Zoom
Нажатие левой кнопки в любом режиме включает «Зум» — подробный просмотр картинки на выбранной глубине. Варианты – 1м, 2м, 3м.
Выключение эхолота
Один раз нажмите на правую кнопку в рабочем режиме и гаджет выключится. Экран погас? Поздравляем с удачной рыбалкой! Только не забывайте вынуть батарейки, ведь даже выключенный эхолот поглощает энергию в малых дозах.




































